
啟迪專精特新|凱賢科技獲評“先進企業”“高成長性總部”打印
發布時間:2024-03-29來源:凱賢科技
近日,上海市中共松江區中山街道工作委員會及松江區人民政府中山街道辦事處舉行優秀企業表揚答謝會暨投資項目簽約大會。會上,對2023年度表現杰出的企業進行表彰鼓勵,啟迪園區企業——上海凱賢流體科技有限公司獲得了“先進企業”的榮譽稱號。
此外,2023年度上海凱賢流體科技有限公司還獲得了松江區經濟委員會頒發的“高成長性總部”的榮譽稱號,認定凱賢公司具有高成長性和可持續性,且綜合發展情況良好。
在2023年經濟環境的壓力下,上海凱賢仍然不斷拓展創新,銳意進取,品質保障,得到了客戶的一致認可。未來,上海凱賢將在更高的起點上推進“高質量”、“穩增長”發展,為關乎到每個人健康的制藥行業貢獻一份力量。

▲“先進企業”證書

▲“高成長性總部”證書
01、生物配制系統

凱賢生物配制系統立足于客戶的生產工藝,提供系統定制化設計;遵循ASME BPE設計理念進行合規性設計,保證系統CIP/SIP無清洗和滅菌死角;服務客戶的自動化控制需求,各項生產參數、過程數據、報警記錄自動存儲,確保數據完整性;結合三維設計軟件,采用模塊化組裝,充分考慮操作維護空間,滿足客戶的操作習慣和整體清潔美觀要求;可選BATCH批處理自動化控制,滿足客戶多種產品的生產需求。
02、制藥用水系統

凱賢制藥用水系統立足于客戶的生產用水需求,采用專業的計算軟件進行定制化設計,為客戶提供性價比最佳的水機、儲罐和分配系統;同時使用凱賢柔性化供水專利技術,使系統更安全、節能、使用壽命更長;設備采用模塊化組裝,質量穩定可靠,整體布局美觀,便于集中管理和維護。
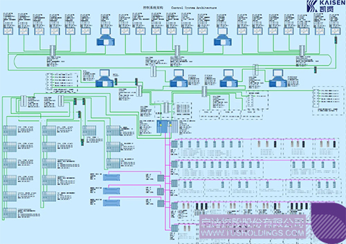
03、自動化控制系統

凱賢自動化控制系統,利用數字化和自動化控制技術,通過對生物制藥設備進行集成與優化,提高生產過程的質量水平,對各環節進行監測和控制,以達到數據安全可靠、縮短產品時間、增強生產靈活性、提高產品質量、實現節能增效的目的。
04、除紅銹及專業化服務

凱賢的除紅銹業務選用創新的中性新型除銹劑,對工藝系統管道沒有任何損傷,除銹效果好,作業快速和高效。為保證除銹和鈍化效果,針對不同系統制定個性化的方案,并進行專業的除紅銹操作和服務,在除紅銹后對系統進行再鈍化,從而大大提高不銹鋼工藝系統的抗腐蝕能力,降低系統風險,延長系統使用壽命。
凱賢生物配制系統、制藥用水系統、自動化控制系統、除紅銹及專業化服務等產品及系統服務已在眾多重點項目成功應用,并得到客戶認可。
